当社では、港湾・漁港・海岸保全施設の維持、長寿命化のための各種調査を行っております。これらの施設の調査で、陸上・海上・水中での作業、必要に応じて測量作業、コンクリート試験等の詳細な調査が必要となります。これら多岐にわたる調査項目を一括して対応させていただいております。また、調査結果については、各種基準や要望に合わせて、調査写真の整理、施設の変状図、各種計画書(維持管理計画書・機能保全計画書・長寿命化計画書)を作成しご提供させていただきます。
- 陸上目視
- 海上目視
- 潜水目視
- 防食施設点検
- 空洞化調査 ※
- 地中レーダー探査 ※
- コンクリート試験 ※
※調査内容によっては提携外部機関に委託
陸上目視
海上目視
潜水目視
防食施設点検


陽極消耗量調査

肉厚測定ケレン状況
空洞化調査

空洞化調査

ドリル削孔

内視鏡による観察
地中レーダー探査

地中レーダー探査

地中探査レーダ(SIR-3000システム)
コンクリート試験
点検のみでなくコンクリート試験と試験結果作成、外部試験機関への試験実施、報告書作成依頼や試料発送等の手配まで行っています。

中性化試験
(コア法)
中性化試験
(コア法)
中性化試験
(ドリル法)
反撥硬度試験
(シュミットハンマー)
反撥硬度試験
(外部試験期間委託)
塩化含有量試験試料採取
(コンクリート粉末採取)
塩化物含有量試験
(外部試験期間委託)
ASR試験試料採取
(コンクリートガラ採取)
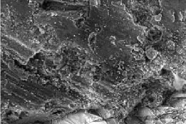
ASR試験 SEM-EDS観察
(外部試験機関委託)
はつり調査

はつり調査

コンクリートコア採取
- 事業紹介 TOP
- 沿岸・港湾・ダムの測量
- 海洋施設調査(港湾・漁港・海岸保全施設)
- 潜水調査
- 地上測量 測量業務
- UAV(ドローン)空撮写真測量
- 橋梁点検





























